閉じる

メッセージメッセージメッセージメッセージメッセージメッセージメッセージメッセージメッセージメッセージメッセージメッセージメッセージメッセージメッセージ

東芝ライテック(株)トップページ > 商品紹介 > 商品情報検索 > 商品詳細画面


LOADING...

商品詳細:LEDTC31687N-LS1

閉じる

URLで共有

https://saturn.tlt.co.jp/aaaaaaaaaaaaaaaaaaaaa


カタログ

基本情報

形名 LEDTC31687N-LS1生産完了品
希望小売価格 140,300 円(税別)
品名 電池内蔵階段灯丸形30形防雨形N色 
品種名 LED非常用照明器具(併用)
発売日 2018年07月27日
商品コード 09670009
JAN 4974550611176
在庫区分 (在庫限り品(生産完了品) )
代替商品情報 LEDTC31688N-LS1 代替商品と比較する

カテゴリ情報 防水ブラケット
定格電圧 100V
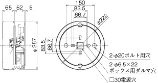
器具幅 φ:260 mm
質量 3.1 kg
光色(相関色温度、平均演色評価数) 昼白色(5000K Ra:70)
光束維持時間 40,000時間(光束維持率70%)
器具光束 960 lm
定格消費電力 14.7W(100V)
エネルギー消費効率 65.3lm/W(100V)
保護等級 保護等級:IP23
付加機能 自己点検(個別制御方式自動点検)
HZ適合 50/60
仕様1名称 本体
仕様1材質 ADC
仕様1仕上げ
仕様1加工 ポリエステル粉体塗装
仕様2名称 グローブ
仕様2材質 ガラス
仕様2仕上げ 乳白フロスト
直付/埋込区分 直付
始動電圧 LS1
電池形名 7HR-AH-SL
型式認定番号1 LALE-026
型式認定番号2 3AE-1056
適合関連1 FRC-1833T
その他備考 リモコン自己点検機能付 電池内蔵形 ニッケル水素畜電池
その他備考 水平天井・壁取付専用
その他備考 調光不可
その他備考 直接雨がかかる屋側では使用できません。
その他備考 保護等級:IP23

データ

小組画像 (JPEG)
商品図面 (PDF)
取扱説明書 (PDF)
姿図
DXF
DWG
JWW
BIMデータ

:ランプを選択

ランプ一覧
形名 品名
閉じる

ファイルをダウンロード

メッセージメッセージメッセージメッセージメッセージメッセージメッセージメッセージメッセージメッセージメッセージメッセージメッセージメッセージメッセージ

関連画像

カタログ掲載ページ

過去カタログ掲載ページ

類似商品


LOADING...

関連カテゴリ商品を検索


LOADING...

この商品情報検索でご紹介している商品の価格は希望小売価格で、消費税は含まれておりません。
公開されている情報は変更されている場合がありますので、ご購入の際は弊社営業担当までお問い合わせください。

フォルダのリストへ保存

リストタイトル

リストタイトル

フォルダ管理サーバ通信エラー

誠に申し訳ございませんが、しばらく時間をおいてからお試しください。

リスト保存

保存しました。

フォルダ管理ログイン

Assist IDでログインしてください。

ログインID

パスワード

お問い合わせはこちら

閉じる

   

閉じる

ツールに送る

マイリスト

ランプを選択

比較・提案ツール

設計支援ツール

フォルダ

ログイン後、この画面に表示される「フォルダのリストに追加」ボタンからフォルダに追加してください。

商品情報検索リンクアイコンカタログ閲覧リンクアイコン別ウィンドウリンクアイコンPDFリンクアイコン:このアイコンのリンクは、新しいブラウザウィンドウ、または新しいタブを開きます。

本サイトおよび本サイトからリンクする弊社提供サイトでは、ブラウザのアクティブスクリプト(JAVASCRIPT)が有効に設定されていない場合、正常な表示や動作とならない場合があります。